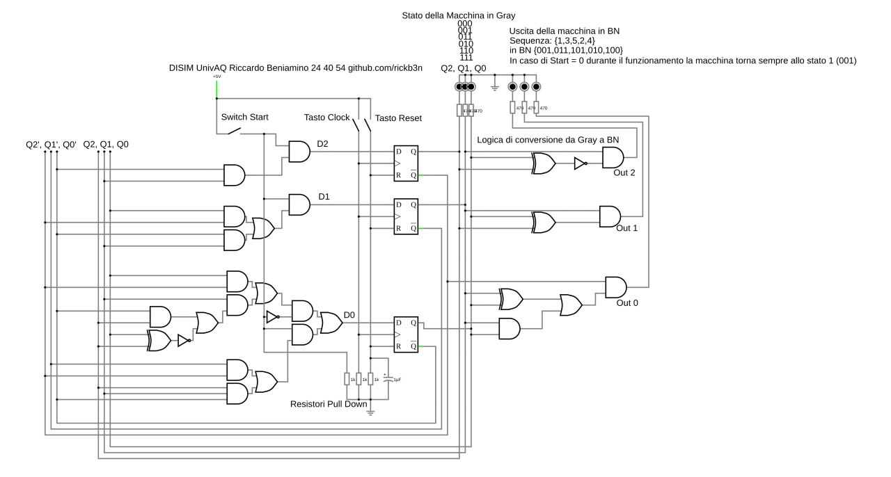
Tesina di Fondamenti di Elettronica Digitale, esercizio 3: progettazione completa di un sequenziatore numerico mediante MSF Moore, con codifica Gray degli stati, uscita BN, sintesi delle funzioni logiche, implementazione circuitale e simulazione.
- Sequenza generata:
{1, 3, 5, 2, 4} - Stato di riposo: uscita = 0
- Segnali di controllo:
START: avvia e mantiene la sequenzaRESET: reset asincrono allo stato di riposoCLOCK: aggiorna lo stato della sequenza
- Tipo di macchina: Moore
- Codifica stati: Gray (3 bit)
- Uscita: BN (3 bit)
- ASM e definizione della MSF (Moore)
- Grafico dell’automa a stati finiti (FSM)
- Sintesi tramite mappe di Karnaugh
- Implementazione circuitale completa
- Simulazione logica (Falstad)
📄 Documento completo (PDF): 👉 Download
Schema circuitale finale del sequenziatore, comprensivo di registro di stato, logiche combinatorie e segnali di controllo.

-
Simulazione interattiva: Apri su Falstad electronic circuit simulator
-
File sorgente Falstad:
circuitjs_MooreNumericSequencer.txt
- Autore: Riccardo Beniamino
- Corso: Fondamenti di Elettronica Digitale – Università degli Studi dell’Aquila (UnivAQ)
Se il repository ti è stato utile, considera di lasciare una ⭐️